Help ! Vous pouvez aider au développement du site par des dons de catalogues, notices, revues sur la RC, par l'achat de stickers ou par des dons via Paypal.
Merci pour votre soutien !
  Contact               Stickers              Don



Accueil
YANKEE
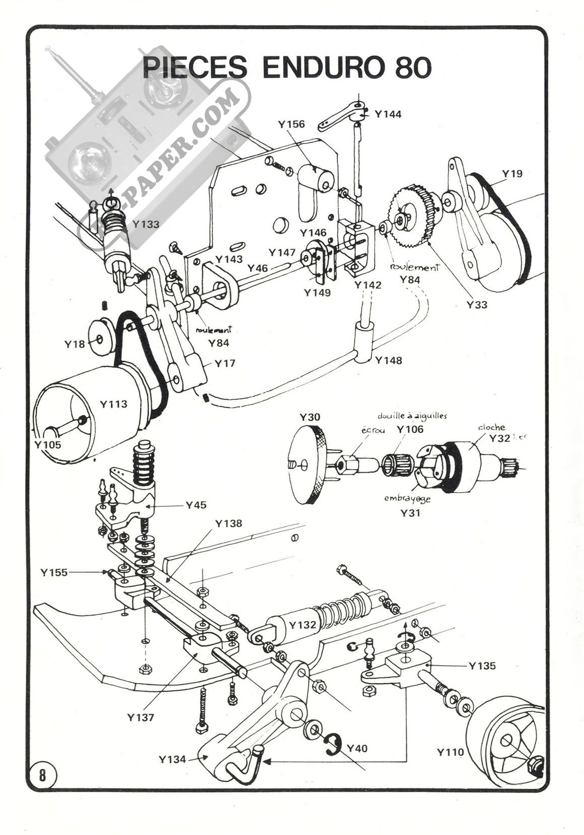
Yankee - 1981 - Catalogue
Page 8


Couverture                   Page 8                   Sommaire
                     

cat_yankee-0005-00010

                     



  • Publications
  • Le projet
  • Historique
  • Contact
  • Remerciements
  • Liens
  • Propriété intellectuelle
  • Copyright © 2015-2026 RC-PAPER.COM - All rights reserved.
    No material from this website may be copied or reproduced without written permission. All material pictured are copyrighted by their respective owners.